> 제품소개 > 유압UNIT
 
유압유니트






제품특징
각종 광범위한 H.Y.D 시스템에 맞춤형 설계 제작
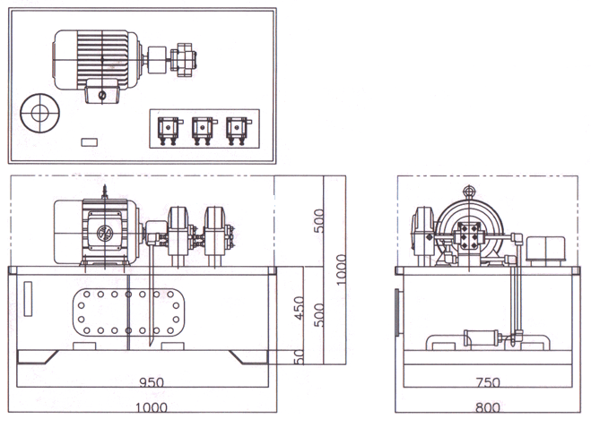
유니트 외형도
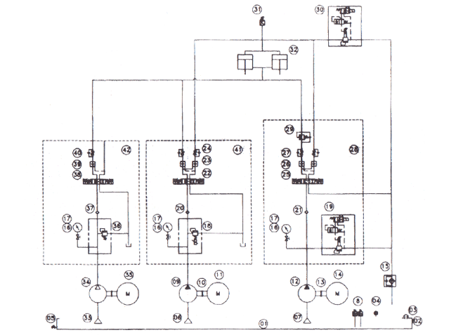
유압회로도